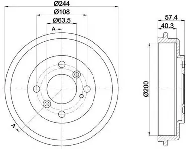
TEXTAR
94031900
Барабан тормозной
2
2768
TEXTAR 94031900 Барабан тормозной