PATRON
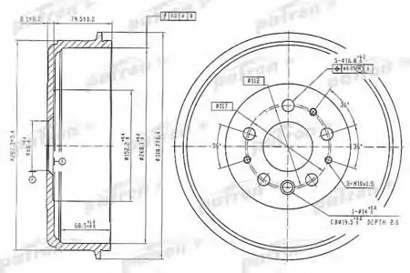
PDR1210
Барабан тормозной задний VW Transporter 1990-2003
2
4323
PATRON PDR1210 Барабан тормозной задний VW Transporter 1990-2003