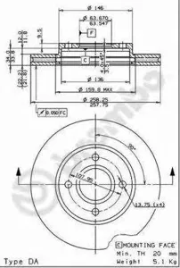
BREMBO
09780611
Диск торм.вент.
2
2485
BREMBO 09780611 Диск торм.вент.